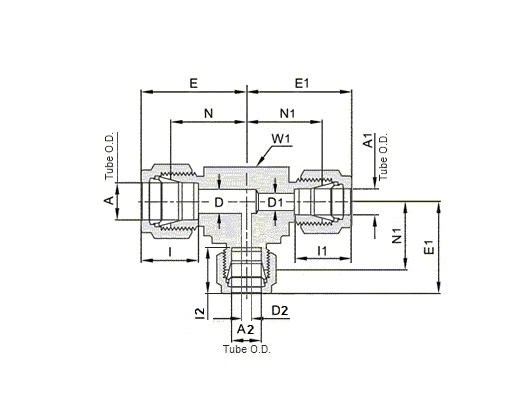
Unit of Measure
Technical Specs
Type |
N/A Union Tee |
Left Size |
N/A 5/8” |
Connector Type |
N/A Let-Lok® Tube Fitting |
Right Size (Run) |
N/A 1/2” |
Bottom Size (Branch) |
N/A 3/8” |
Body Material |
N/A Stainless Steel 316 |
Dimensions
|
|
|
A |
N/A 5/8 in15.87 mm |
A1 |
N/A 1/2 in12.7 mm |
A2 |
N/A 3/8 in9.52 mm |
D |
N/A 0.50 in12.7 mm |
D1 |
N/A 0.41 in10.4 mm |
D2 |
N/A 0.28 in7.11 mm |
E |
N/A 1.53 in38.9 mm |
E1 |
N/A 1.53 in38.9 mm |
I |
N/A 0.96 in24.4 mm |
I1 |
N/A 0.9 in22.9 mm |
I2 |
N/A 0.66 in16.8 mm |
N |
N/A 1.13 in28.7 mm |
N1 |
N/A 1.13 in28.7 mm |
T |
N/A 1.13 in28.7 mm |
W |
N/A 15/16 in23.8 mm |
