Unit of Measure
Technical Specs
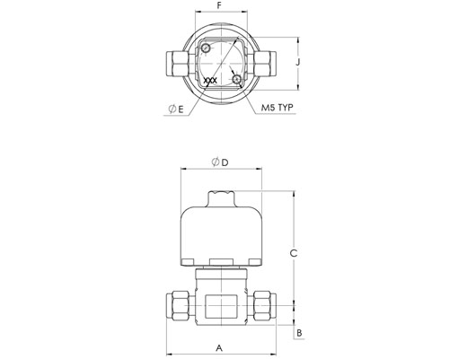
Type |
N/A EVZ - Low Temp. Med Flow |
Connection Size |
N/A 1/4” |
Connection Type |
N/A Let-Lok® Tube Fitting |
Body Size |
N/A 1/4” |
Max Pressure |
N/A 1 MPa150 psi |
CV |
N/A 0.27 |
Actuation Pressure |
N/A 60 to 90 psi (4 to 6 bar) |
Body Material |
N/A Forged SS 316L |
Temperature Range |
N/A -10ºC to 80ºC |
Leak Rate - Across Seat |
N/A ≤ 3·10-10 Pa · m3/sec (He) |
Leak Rate - Inboard |
N/A ≤ 3·10-12 Pa · m3/sec (He) |
Actuation |
N/A Actuator |
Seat Type |
N/A PCTFE |
