Positionable Male Elbow (45/90)
Positionables
Unit of Measure
| Items |
769HLOBSS1/4X7/1620POS Stainless Steel 316 Positionable 90º Elbow, One-Lok® 1/4” x Male SAE/MS Thread 7/16”-20 |
769HLOBSS1/4X9/1618POS Stainless Steel 316 Positionable 90º Elbow, One-Lok® 1/4” x Male SAE/MS Thread 9/16”-18 |
769HLOBSS3/8X7/1620POS Stainless Steel 316 Positionable 90º Elbow, One-Lok® 3/8” x Male SAE/MS Thread 7/16”-20 |
769HLOBSS3/8X9/1618POS Stainless Steel 316 Positionable 90º Elbow, One-Lok® 3/8” x Male SAE/MS Thread 9/16”-18 |
769HLOBSS3/8X3/416POS Stainless Steel 316 Positionable 90º Elbow, One-Lok® 3/8” x Male SAE/MS Thread 3/4”-16 |
|||||
| Type | N/A Positionable Male Elbow (45/90) | |||||||||
| Connector Type | N/A Positionable Fitting | |||||||||
| Connection Type | N/A Possitionable One-Lok® | |||||||||
| One-Lok Size | N/A 1/4” | N/A 1/4” | N/A 3/8” | N/A 3/8” | N/A 3/8” | |||||
| Male Size | N/A 7/16”-20 | N/A 9/16”-18 | N/A 7/16”-20 | N/A 9/16”-18 | N/A 3/4”-16 | |||||
| Male Type | N/A SAE/MS Thread | |||||||||
| Elbow Angel | N/A 90 º | |||||||||
| Body Material | N/A Stainless Steel 316 | |||||||||
| O-Ring | N/A 912 Fluorocarbon FKM 90 Duro. | N/A 916 Fluorocarbon FKM 90 Duro. | N/A 904 Fluorocarbon FKM 90 Duro. | N/A 906 Fluorocarbon FKM 90 Duro. | N/A | |||||
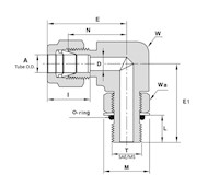
| Dimensional Drawing |
N/A
![]() 769HLOB_S_Tech1 |
|||||||||
| A | N/A 1/4 in6.35 mm | N/A 1/4 in6.35 mm | N/A 1/4 in6.35 mm | N/A 0.38 in9.52 mm | N/A 3/8 in9.52 mm | |||||
| D | N/A 0.19 in4.8 mm | N/A 0.19 in4.8 mm | N/A 0.19 in4.8 mm | N/A 0.28 in7.1 mm | N/A 0.28 in7.1 mm | |||||
| E1 | N/A 1.12 in28.45 mm | N/A 1.27 in32.26 mm | N/A 1.01 in25.65 mm | N/A 1.06 in27 mm | N/A 1.49 in37.85 mm | |||||
| I | N/A 0.6 in15.2 mm | N/A 0.6 in15.2 mm | N/A 0.6 in15.2 mm | N/A 0.66 in16.8 mm | N/A 0.66 in16.8 mm | |||||
| E | N/A 1.12 in28.45 mm | N/A 1.20 in30.48 mm | N/A 1.01 in25.65 mm | N/A 1.10 in27.94 mm | N/A 1.37 in34.8 mm | |||||
| L | N/A 0.39 in9.9 mm | N/A 0.44 in11.2 mm | N/A 0.39 in9.9 mm | N/A 0.44 in11.2 mm | N/A 0.50 in12.7 mm | |||||
| M | N/A 0.65 in16.5 mm | N/A 0.79 in20.1 mm | N/A 0.65 in16.5 mm | N/A 0.79 in20.1 mm | N/A 1.01 in25.7 mm | |||||
| N | N/A 0.83 in21.1 mm | N/A 0.91 in23.11 mm | N/A 0.72 in18.29 mm | N/A 0.81 in20.57 mm | N/A 1.08 in27.43 mm | |||||
| T | N/A 7/16-20 UNF | N/A 9/16-18 UNF | N/A 7/16-20 UNF | N/A 9/16-18 UNF | N/A 3/4-16 UNF | |||||
| W | N/A 1/2 in12.7 mm | N/A 5/8 in15.9 mm | N/A 9/16 in14.3 mm | N/A 13/16 in20.6 mm | N/A 13/16 in20.6 mm | |||||
| Wa | N/A 1-1/4 in | N/A 1-1/2 in | N/A 9/16 in | N/A 11/16 in | N/A | |||||
|
|
||||||||||

