EV - Low Temp. High Flow
High Purity Valves
Unit of Measure
| Items |
EV4CV EV Series, Low Pressure HP Actuated Valve, Male Face Seal 1/4” |
EV4CFV EV Series, Low Pressure HP Actuated Valve, Swivel Female Face Seal 1/4” |
EV4CI EV Series, Low Pressure HP Actuated Valve, Let-Lok® Tube Fitting 1/4” |
EV4CW EV Series, Low Pressure HP Actuated Valve, Extended Buttweld 1/4” |
EV4V EV Series, Low Pressure HP Manual Valve, Male Face Seal 1/4” |
|||||
| Connection Size | N/A 1/4” | |||||||||
| Connection Type | N/A Male Face Seal | N/A Swivel Female Face Seal | N/A Let-Lok® Tube Fitting | N/A Extended Buttweld | N/A Male Face Seal | |||||
| Body Size | N/A 1/4” | |||||||||
| Max Pressure | N/A 1 MPa150 psi | |||||||||
| CV | N/A 0.3 | |||||||||
| Actuation Pressure | N/A 60 to 90 psi (4 to 6 bar) | |||||||||
| Body Material | N/A Forged SS 316L | |||||||||
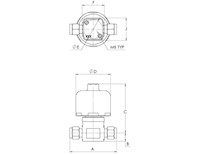
| Dimensional Drawing |
N/A
![]() EVCV_Tech1 |
N/A
![]() EVCFV_Tech1 |
N/A
![]() EVCB_Tech1 |
N/A
![]() EVCW_Tech1 |
N/A
![]() EVV_Tech1 |
|||||
| A | N/A 2.28 in58 mm | N/A 2.78 in70.6 mm | N/A 2.5 in63.5 mm | N/A 3.5 in89 mm | N/A 2.28 in58 mm | |||||
| A1 | N/A | |||||||||
| B | N/A 0.43 in11 mm | |||||||||
| C | N/A 2.56 in65 mm | N/A 2.56 in65 mm | N/A 2.56 in65 mm | N/A 2.56 in65 mm | N/A 2.48 in63 mm | |||||
| D | N/A 1.81 in46 mm | N/A 1.81 in46 mm | N/A 1.81 in46 mm | N/A 1.81 in46 mm | N/A 1.77 in45 mm | |||||
| E | N/A 0.98 in25 mm | |||||||||
| F | N/A 1.16 in29.4 mm | |||||||||
| G | N/A | |||||||||
| H | N/A | N/A | N/A | N/A | N/A 1.67 in40 mm | |||||
| J | N/A 1.18 in30 mm | |||||||||
| K | N/A | |||||||||
| Temperature Range | N/A | |||||||||
| Leak Rate - Across Seat | N/A ≤ 3·10-10 Pa · m3/sec (He) | |||||||||
| Leak Rate - Inboard | N/A ≤ 3·10-12 Pa · m3/sec (He) | |||||||||
| Actuation | N/A Actuator | N/A Actuator | N/A Actuator | N/A Actuator | N/A Round Handle | |||||
|
|
||||||||||









