Male to Female
H-700 Two Piece Ball Valves
Unit of Measure
| Items |
H785SSN1/4TLD H700 Series, 2 Piece SS Ball Valve, 1/4” Male NPT x 1/4” Female NPT |
H785SSN1/2TLD H700 Series, 2 Piece SS Ball Valve, 1/2” Male NPT x 1/2” Female NPT |
H785SSN1TLD H700 Series, 2 Piece SS Ball Valve, 1” Male NPT x 1” Female NPT |
H785SSR1/4TLD H700 Series, 2 Piece SS Ball Valve, 1/4” Male BSPT x 1/4” Female BSPT |
H785SSR1/2TLD H700 Series, 2 Piece SS Ball Valve, 1/2” Male BSPT x 1/2” Female BSPT |
|||||
| Type | N/A Male to Female | |||||||||
| Seat Material | N/A Modified PTFE | |||||||||
| Max Pressure | N/A 138 bar2000 psi | |||||||||
| Connection Size | N/A 1/4” | N/A 1/2” | N/A 1” | N/A 1/4” | N/A 1/2” | |||||
| Connection Type | N/A NPT Thread, Male to Female | N/A NPT Thread, Male to Female | N/A NPT Thread, Male to Female | N/A BSPT Thread, Male to Female | N/A BSPT Thread, Male to Female | |||||
| Max. Temperature | N/A 204 ºC400 ºF | |||||||||
| Body Material | N/A Stainless Steel 316 | |||||||||
| CV | N/A 1.35 | N/A 9.25 | N/A 17.35 | N/A 1.35 | N/A 9.25 | |||||
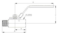
| Dimensional Drawing |
N/A
![]() H785SSN_Tech1 |
|||||||||
| A | N/A 1.97 in50 mm | N/A 2.95 in70.0 mm | N/A 3.54 in90 mm | N/A 1.97 in50 mm | N/A 2.95 in70.0 mm | |||||
| W | N/A 17 mm | N/A 27 mm | N/A 1-3/4 in | N/A 17 mm | N/A 27 mm | |||||
| X | N/A 3.23 in82 mm | N/A 3.23 in82 mm | N/A 4.02 in102 mm | N/A 3.23 in82 mm | N/A 3.23 in82 mm | |||||
| Y | N/A 1.5 in38 mm | N/A 2.23 in56.6 mm | N/A 2.09 in53 mm | N/A 1.5 in38 mm | N/A 2.23 in56.6 mm | |||||
| Orifice | N/A 0.2 in5 mm | N/A 0.35 in9 mm | N/A 0.59 in15 mm | N/A 0.2 in5 mm | N/A 0.35 in9 mm | |||||
|
|
||||||||||

