Straight
H-6800 - High Performance Actuated
Unit of Measure
| Items |
H6800BHL18MMIPSA1C H6800 Series, 3 Piece Brass Ball Valve, 18mm One-Lok® Tube Fitting x 18mm One-Lok® Tube Fitting, Spring Return Actuator |
H6800BHL12MMPSA1C H6800 Series, 3 Piece Brass Ball Valve, 12mm One-Lok® Tube Fitting x 12mm One-Lok® Tube Fitting, Spring Return Actuator |
H6800BHL10MMIPSA1C H6800 Series, 3 Piece Brass Ball Valve, 10mm One-Lok® Tube Fitting x 10mm One-Lok® Tube Fitting, Spring Return Actuator |
H6800BHL8MMIPSA1C H6800 Series, 3 Piece Brass Ball Valve, 8mm One-Lok® Tube Fitting x 8mm One-Lok® Tube Fitting, Spring Return Actuator |
H6800BHL6MMPSA1C H6800 Series, 3 Piece Brass Ball Valve, 6mm One-Lok® Tube Fitting x 6mm One-Lok® Tube Fitting, Spring Return Actuator |
|||||
| Type | N/A Straight | |||||||||
| Connection Size | N/A 18 mm | N/A 12 mm | N/A 10 mm | N/A 8 mm | N/A 6 mm | |||||
| Outlet Type | N/A One-Lok® Tube Fitting | |||||||||
| Inlet Type | N/A One-Lok® Tube Fitting | |||||||||
| Actuator Type | N/A Spring Return | |||||||||
| Body Material | N/A Brass (up to 3000 psi) | |||||||||
| CV | N/A 6.5 | N/A 12 | N/A 1.5 | N/A 1.5 | N/A 2.4 | |||||
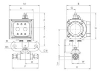
| Dimensional Drawing |
N/A
![]() H6800BLS_AC_Tech1 |
|||||||||
| D | N/A 2.8 in71 mm | |||||||||
| D1 | N/A 2.6 in66 mm | |||||||||
| P | N/A 4.04 in102.5 mm | N/A 4.04 in102.5 mm | N/A 3.4 in86.4 mm | N/A 3.34 in84.8 mm | N/A 3.29 in83.6 mm | |||||
| R | N/A 2.02 in51.25 mm | N/A 2.02 in51.25 mm | N/A 1.7 in43.2 mm | N/A 1.67 in42.4 mm | N/A 1.65 in41.8 mm | |||||
| S | N/A 0.63 in16 mm | N/A 0.63 in16 mm | N/A 0.44 in11.1 mm | N/A 0.44 in11.1 mm | N/A 0.44 in11.1 mm | |||||
| W | N/A 1.26 in32 mm | N/A 1.26 in32 mm | N/A 0.87 in22.2 mm | N/A 0.87 in22.2 mm | N/A 0.87 in22.2 mm | |||||
| Orifice | N/A 0.409 in10.3 mm | N/A 0.409 in10.3 mm | N/A 0.189 in4.8 mm | N/A 0.189 in4.8 mm | N/A 0.189 in4.8 mm | |||||
| Operating Pressure | N/A 5-8 bar (73-116 psi) | |||||||||
| Rotary Angle | N/A 90º | |||||||||
|
|
||||||||||

