Pipe Buttweld
H-500 - 3 Piece Actuated
Unit of Measure
| Items |
H580SSPBW1A3 H500 Series, 3 Piece SS Ball Valve, 1”, Pipe Butt Weld, Double Acting Actuator |
H580SSPBW3/4A2 H500 Series, 3 Piece SS Ball Valve, 3/4”, Pipe Butt Weld, Double Acting Actuator |
H580SSPBW1/2A1 H500 Series, 3 Piece SS Ball Valve, 1/2”, Pipe Butt Weld, Double Acting Actuator |
H580SSPBW3/8A1 H500 Series, 3 Piece SS Ball Valve, 3/8”, Pipe Butt Weld, Double Acting Actuator |
H580SSPBW1/4A1 H500 Series, 3 Piece SS Ball Valve, 1/4”, Pipe Butt Weld, Double Acting Actuator |
|||||
| Type | N/A Pipe Buttweld | |||||||||
| Connection Size | N/A 1” | N/A 3/4” | N/A 1/2” | N/A 3/8” | N/A 1/4” | |||||
| Connection Type | N/A Pipe Butt Weld | |||||||||
| Actuator Type | N/A Double Acting | |||||||||
| Body Material | N/A Stainless Steel 316 | |||||||||
| CV | N/A 36 | N/A 12 | N/A 10 | N/A 10 | N/A 7 | |||||
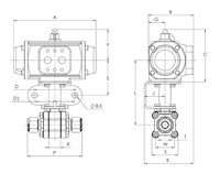
| Dimensional Drawing |
N/A
![]() H580PBW_A_Tech1 |
|||||||||
| D | N/A 2.8 in71 mm | |||||||||
| D1 | N/A 2.6 in66 mm | |||||||||
| OD | N/A 1.34 in34.1 mm | N/A 1.07 in27.1 mm | N/A 0.84 in21.3 mm | N/A 0.67 in17.1 mm | N/A 0.54 in13.7 mm | |||||
| P | N/A 3.82 in97 mm | N/A 2.83 in72 mm | N/A 2.64 in67 mm | N/A 2.64 in67 mm | N/A 2.64 in67 mm | |||||
| R | N/A 1.25 in31.8 mm | N/A 0.97 in24.6 mm | N/A 0.81 in20.6 mm | N/A 0.81 in20.6 mm | N/A 0.81 in20.6 mm | |||||
| S | N/A 2.36 in60 mm | N/A 2 in50.8 mm | N/A 1.75 in44.4 mm | N/A 1.75 in44.4 mm | N/A 1.75 in44.4 mm | |||||
| T | N/A | |||||||||
| W | N/A 1.73 in44 mm | N/A 1.5 in38.2 mm | N/A 1.26 in32 mm | N/A 1.26 in32 mm | N/A 1.26 in32 mm | |||||
| Orifice | N/A 0.79 in20 mm | N/A 0.56 in14.1 mm | N/A 0.43 in11 mm | N/A 0.43 in11 mm | N/A 0.36 in9.2 mm | |||||
| Actuator Body | N/A Aluminum | |||||||||
| Default Position | N/A | |||||||||
| Operating Pressure | N/A 5-8 bar (73-116 psi) | |||||||||
|
|
||||||||||

