Union Elbow
Elbows
Unit of Measure
| Items |
765LRB5/8X3/8 Brass Union Elbow, Let-Lok® Tube Fitting 5/8” x 3/8” |
765LRB3/8X1/4 Brass Union Elbow, Let-Lok® Tube Fitting 3/8” x 1/4” |
765LRB8MMX1/4 Brass Union Elbow, Let-Lok® Tube Fitting 8mm x 1/4” |
765LRB6MMX1/4 Brass Union Elbow, Let-Lok® Tube Fitting 6mm x 1/4” |
765LRSS5/8X3/8 St.St. 316 Union Elbow, Let-Lok® Tube Fitting 5/8” x 3/8” |
|||||
| Type | N/A Union Elbow | |||||||||
| Conn.1 Size | N/A 5/8” | N/A 3/8” | N/A 8 mm | N/A 6 mm | N/A 5/8” | |||||
| Connector Type | N/A Let-Lok® Tube Fitting | |||||||||
| Conn.2 Size | N/A 3/8” | N/A 1/4” | N/A 1/4” | N/A 1/4” | N/A 3/8” | |||||
| Body Material | N/A Brass | N/A Brass | N/A Brass | N/A Brass | N/A Stainless Steel 316 | |||||
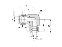
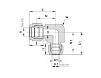
| Dimensional Drawing |
N/A
![]() 765LR_AB_Tech1 |
N/A
![]() 765LR_AB_Tech1 |
N/A
![]() 765LR_AB_Tech1 |
N/A
![]() 765LR_AB_Tech1 |
N/A
![]() 765LR_AS_Tech1 |
|||||
| A | N/A 5/8 in15.87 mm | N/A 3/8 in9.52 mm | N/A 8 mm | N/A 6 mm | N/A 5/8 in15.87 mm | |||||
| A1 | N/A 3/8 in9.52 mm | N/A 1/4 in6.35 mm | N/A 1/4 in | N/A 1/4 in | N/A 3/8 in9.52 mm | |||||
| D | N/A 0.50 in12.7 mm | N/A 0.28 in7.1 mm | N/A 6.4 mm | N/A | N/A 0.50 in12.7 mm | |||||
| D1 | N/A 0.28 in7.11 mm | N/A 0.19 in4.82 mm | N/A 4.80 mm | N/A | N/A 0.28 in7.11 mm | |||||
| E | N/A 1.50 in38.1 mm | N/A 1.20 in30.48 mm | N/A 28.8 mm | N/A 27 mm | N/A 1.50 in38.1 mm | |||||
| E1 | N/A 1.39 in35.31 mm | N/A 1.2 in30.48 mm | N/A 28.7 mm | N/A 26.9 mm | N/A 1.39 in35.31 mm | |||||
| I | N/A 0.96 in24.4 mm | N/A 0.66 in16.8 mm | N/A 16.2 mm | N/A 15.3 mm | N/A 0.96 in24.4 mm | |||||
| I1 | N/A 0.66 in16.8 mm | N/A 0.6 in15.2 mm | N/A 15.2 mm | N/A 15.2 mm | N/A 0.66 in16.8 mm | |||||
| N | N/A 1.1 in27.94 mm | N/A 0.91 in23.11 mm | N/A 21.3 mm | N/A 19.6 mm | N/A 1.1 in27.94 mm | |||||
| N1 | N/A 1.1 in27.94 mm | N/A 0.91 in23.11 mm | N/A 21.3 mm | N/A 19.6 mm | N/A 1.1 in27.94 mm | |||||
| T | N/A 15/16 in23.8 mm | N/A 5/8 in15.9 mm | N/A 9/16 in14.3 mm | N/A 1/2 in12.7 mm | N/A 15/16 in23.8 mm | |||||
| W | N/A | |||||||||
|
|
||||||||||



