Pipe Weld Elbow
Elbows
Unit of Measure
| Items |
769LNB3/4X3/4 Brass Pipe Weld Elbow, Let-Lok® Tube Fitting 3/4” x Pipe Weld 3/4” |
769LNB1/2X1/2 Brass Pipe Weld Elbow, Let-Lok® Tube Fitting 1/2” x Pipe Weld 1/2” |
769LNB3/8X1/4 Brass Pipe Weld Elbow, Let-Lok® Tube Fitting 3/8” x Pipe Weld 1/4” |
769LNB1/4X1/4 Brass Pipe Weld Elbow, Let-Lok® Tube Fitting 1/4” x Pipe Weld 1/4” |
769LNB1/4X1/8 Brass Pipe Weld Elbow, Let-Lok® Tube Fitting 1/4” x Pipe Weld 1/8” |
|||||
| Type | N/A Pipe Weld Elbow | |||||||||
| Let-Lok Size | N/A 3/4” | N/A 1/2” | N/A 3/8” | N/A 1/4” | N/A 1/4” | |||||
| Connector Type | N/A Let-Lok® Tube Fitting | |||||||||
| Conn.2 Size | N/A 3/4” | N/A 1/2” | N/A 1/4” | N/A 1/4” | N/A 1/8” | |||||
| Conn.2 Type | N/A Pipe Weld | |||||||||
| Body Material | N/A Brass | |||||||||
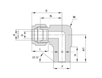
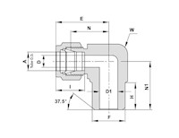
| Dimensional Drawing |
N/A
![]() 769LN_AB_Tech1 |
N/A
![]() 769LN_BB_Tech1 |
N/A
![]() 769LN_AB_Tech1 |
N/A
![]() 769LN_BB_Tech1 |
N/A
![]() 769LN_AB_Tech1 |
|||||
| A | N/A 3/4 in19.05 mm | N/A 0.5 in12.7 mm | N/A 3/8 in9.52 mm | N/A 1/4 in6.35 mm | N/A 1/4 in6.35 mm | |||||
| D | N/A 0.62 in15.75 mm | N/A 0.41 in10.41 mm | N/A 0.28 in7.11 mm | N/A 0.19 in4.82 mm | N/A 0.19 in4.82 mm | |||||
| D1 | N/A | N/A 0.53 in13.5 mm | N/A | N/A 0.28 in7.10 mm | N/A | |||||
| E | N/A 1.57 in39.88 mm | N/A 1.42 in36.06 mm | N/A 1.20 in30.48 mm | N/A 1.06 in26.92 mm | N/A 1.06 in26.92 mm | |||||
| F | N/A 3/4 in26.67 mm | N/A 0.50 in21.34 mm | N/A 0.25 in13.7 mm | N/A 0.25 in13.7 mm | N/A 1/8 in10.3 mm | |||||
| H | N/A 0.75 in19.05 mm | N/A 0.75 in19.05 mm | N/A 0.56 in14.22 mm | N/A 0.56 in14.22 mm | N/A 0.38 in9.65 mm | |||||
| I | N/A 0.96 in24.4 mm | N/A 0.9 in22.9 mm | N/A 0.66 in16.8 mm | N/A 0.6 in15.2 mm | N/A 0.6 in15.2 mm | |||||
| N | N/A 1.17 in29.72 mm | N/A 1.02 in25.9 mm | N/A 0.91 in23.11 mm | N/A 0.77 in19.56 mm | N/A 0.77 in19.56 mm | |||||
| N1 | N/A 1.45 in36.83 mm | N/A 1.3 in33.02 mm | N/A 1.00 in25.4 mm | N/A 0.92 in23.37 mm | N/A 0.74 in18.8 mm | |||||
| W | N/A 1-1/16 in27 mm | N/A 13/16 in20.6 mm | N/A 5/8 in15.9 mm | N/A 1/2 in12.7 mm | N/A 1/2 in12.7 mm | |||||
|
|
||||||||||



