Female to Male
Elbows
Unit of Measure
| Items |
116HSS1/16X1/16 St. St. 316 Pipe Fitting, Street Elbow, Female NPT Thread 1/16” x Male NPT Thread 1/16” |
116HSS1/8X1/16 St. St. 316 Pipe Fitting, Street Elbow, Female NPT Thread 1/8” x Male NPT Thread 1/16” |
116HSS1/8X1/8 St. St. 316 Pipe Fitting, Street Elbow, Female NPT Thread 1/8” x Male NPT Thread 1/8” |
116HSS1/4X1/8 St. St. 316 Pipe Fitting, Street Elbow, Female NPT Thread 1/4” x Male NPT Thread 1/8” |
116HSS1/4X1/4 St. St. 316 Pipe Fitting, Street Elbow, Female NPT Thread 1/4” x Male NPT Thread 1/4” |
|||||
| Type | N/A Female to Male | |||||||||
| Female Size | N/A 1/16” | N/A 1/8” | N/A 1/8” | N/A 1/4” | N/A 1/4” | |||||
| Female Type | N/A NPT Thread | |||||||||
| Male Size | N/A 1/16” | N/A 1/16” | N/A 1/8” | N/A 1/8” | N/A 1/4” | |||||
| Male Type | N/A NPT Thread | |||||||||
| Body Material | N/A Stainless Steel 316 | |||||||||
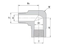
| Dimensional Drawing |
N/A
![]() 116H_S_Tech1 |
N/A
![]() 116H_AS_Tech1 |
N/A
![]() 116H_AS_Tech1 |
N/A
![]() 116H_AS_Tech1 |
N/A
![]() 116H_AS_Tech1 |
|||||
| D | N/A 0.12 in3.10 mm | N/A 0.12 in3.10 mm | N/A 0.19 in4.8 mm | N/A 0.19 in4.8 mm | N/A 0.28 in7.1 mm | |||||
| D1 | N/A | N/A 0.31 in7.8 mm | N/A 0.31 in7.8 mm | N/A 0.41 in10.5 mm | N/A 0.41 in10.5 mm | |||||
| N | N/A 0.86 in21.8 mm | N/A 1.04 in26.4 mm | N/A 1.04 in26.4 mm | N/A 1.17 in29.7 mm | N/A 1.17 in29.7 mm | |||||
| N1 | N/A 0.88 in22.4 mm | N/A 0.87 in22.1 mm | N/A 0.87 in22.1 mm | N/A 1.00 in25.4 mm | N/A 1.17 in29.7 mm | |||||
| T | N/A 1/16 in | N/A 1/8 in | N/A 1/8 in | N/A 1/4 in | N/A 1/4 in | |||||
| T1 | N/A 1/16 in | N/A 1/16 in | N/A 1/8 in | N/A 1/8 in | N/A 1/4 in | |||||
| W | N/A 7/16 in | N/A 5/8 in | N/A 5/8 in | N/A 11/16 in | N/A 11/16 in | |||||
|
|
||||||||||



