H Type
Direct Mount
Unit of Measure
| Items |
M20H90FFSSVT SS 316L Direct Mount 2 Way Manifold, Flange |
M20H158NFSSVT SS 316L Direct Mount 2 Way Manifold, 1/2” Female NPT Thread |
M20H156NFSSVT SS 316L Direct Mount 2 Way Manifold, 3/8” Female NPT Thread |
M20H154NFSSVT SS 316L Direct Mount 2 Way Manifold, 1/4” Female NPT Thread |
M20H158RFSSVT SS 316L Direct Mount 2 Way Manifold, 1/2” Female BSPP Thread |
|||||
| Type | N/A H Type | |||||||||
| Connection Size | N/A | N/A 1/2” | N/A 3/8” | N/A 1/4” | N/A 1/2” | |||||
| Connection Type | N/A Flange to Flange | N/A Female NPT Thread to Flange | N/A Female NPT Thread to Flange | N/A Female NPT Thread to Flange | N/A Female BSPP Thread to Flange | |||||
| Body Material | N/A Stainless Steel | |||||||||
| Mounting | N/A Direct | |||||||||
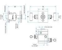
| Dimensional Drawing |
N/A
![]() M20H_Tech1 |
|||||||||
| A | N/A 6.02 in153 mm | N/A | N/A | N/A | N/A | |||||
| C | N/A 2.2 in56 mm | N/A | N/A | N/A | N/A | |||||
| D | N/A 3.07 in78 mm | N/A | N/A | N/A | N/A | |||||
| E | N/A 2.56 in65 mm | N/A | N/A | N/A | N/A | |||||
| F | N/A 0.79 in20 mm | N/A | N/A | N/A | N/A | |||||
| Vent | N/A 1/4” Female NPT | |||||||||
| Bonnet Type | N/A O-Ring Bonnet | |||||||||
|
|
||||||||||

