50A Type
Direct Mount - Double Vent, Single Equalizer
Unit of Measure
| Items |
M50A158NFSSVT SS 316L Direct Mount 5 Way Manifold, 1/2” Female NPT Thread to Flange |
M50A156NFSSVT SS 316L Direct Mount 5 Way Manifold, 3/8” Female NPT Thread to Flange |
M50A154NFSSVT SS 316L Direct Mount 5 Way Manifold, 1/4” Female NPT Thread to Flange |
M50A158RFSSVT SS 316L Direct Mount 5 Way Manifold, 1/2” Female BSPP Thread to Flange |
M50A156RFSSVT SS 316L Direct Mount 5 Way Manifold, 3/8” Female BSPP Thread to Flange |
|||||
| Type | N/A 50A Type | |||||||||
| Connection Size | N/A 1/2” | N/A 3/8” | N/A 1/4” | N/A 1/2” | N/A 3/8” | |||||
| Connection Type | N/A Female NPT Thread to Flange | N/A Female NPT Thread to Flange | N/A Female NPT Thread to Flange | N/A Female BSPP Thread to Flange | N/A Female BSPP Thread to Flange | |||||
| Body Material | N/A Stainless Steel | |||||||||
| Mounting | N/A Direct | |||||||||
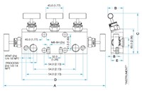
| Dimensional Drawing |
N/A
![]() M50A15_Tech1 |
|||||||||
| A | N/A 10.43 in265 mm | N/A | N/A | N/A | N/A | |||||
| B | N/A 1.61 in41 mm | N/A | N/A | N/A | N/A | |||||
| C | N/A 4.17 in106 mm | N/A | N/A | N/A | N/A | |||||
| D | N/A 6.69 in170 mm | N/A | N/A | N/A | N/A | |||||
| E | N/A 1.26 in32 mm | N/A | N/A | N/A | N/A | |||||
| F | N/A 0.63 in16 mm | N/A | N/A | N/A | N/A | |||||
| Vent | N/A 1/4” Female NPT | |||||||||
| Bonnet Type | N/A O-Ring Bonnet | |||||||||
|
|
||||||||||

