30I Type
Direct Mount
Unit of Measure
| Items |
M30I158NFSSVT SS 316L Direct Mount 3 Way Manifold, 1/2” Female NPT Thread to Flange |
M30I156NFSSVT SS 316L Direct Mount 3 Way Manifold, 3/8” Female NPT Thread to Flange |
M30I154NFSSVT SS 316L Direct Mount 3 Way Manifold, 1/4” Female NPT Thread to Flange |
M30I158GFSSVT SS 316L Direct Mount 3 Way Manifold, 1/2” Female BSPP Thread to Flange |
M30I156GFSSVT SS 316L Direct Mount 3 Way Manifold, 3/8” Female BSPP Thread to Flange |
|||||
| Type | N/A 30I Type | |||||||||
| Connection Size | N/A 1/2” | N/A 3/8” | N/A 1/4” | N/A 1/2” | N/A 3/8” | |||||
| Connection Type | N/A Female NPT Thread to Flange | N/A Female NPT Thread to Flange | N/A Female NPT Thread to Flange | N/A Female BSPP Thread to Flange | N/A Female BSPP Thread to Flange | |||||
| Body Material | N/A Stainless Steel | |||||||||
| Mounting | N/A Direct | |||||||||
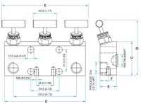
| Dimensional Drawing |
N/A
![]() M30I_Tech1 |
|||||||||
| A | N/A 6.34 in161 mm | N/A | N/A | N/A 6.34 in161 mm | N/A | |||||
| B | N/A 4.21 in107 mm | N/A | N/A | N/A 4.21 in107 mm | N/A | |||||
| C | N/A 2.56 in65 mm | N/A | N/A | N/A 2.56 in65 mm | N/A | |||||
| D | N/A 5.91 in150 mm | N/A | N/A | N/A 5.91 in150 mm | N/A | |||||
| E | N/A 1.26 in32 mm | N/A | N/A | N/A 1.26 in32 mm | N/A | |||||
| F | N/A 0.63 in16 mm | N/A | N/A | N/A 0.63 in16 mm | N/A | |||||
| Vent | N/A None | |||||||||
| Bonnet Type | N/A O-Ring Bonnet | |||||||||
|
|
||||||||||

