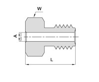
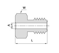
Male Nut
Chromatograph Fittings
Unit of Measure
| Items |
961LSS1/16 Stainless Steel 316 Chromatograph Male Nut 1/16” |
961LB1/16 Brass Chromatograph Male Nut 1/16” |
||
| Type | N/A Male Nut | |||
| Connection Size | N/A 1/16” | |||
| Body Material | N/A Stainless Steel 316 | N/A Brass | ||
| Dimensional Drawing |
N/A
![]() 961L_S_Tech1 |
N/A
![]() 961L_B_Tech1 |
||
| A | N/A 1/16 in1.58 mm | |||
| L | N/A 0.38 in9.5 mm | |||
| W | N/A 1/4 in | |||
|
|
||||



